Description
Référence : R902155958
La pompe hydraulique A2F023/61R-PPB05, fabriquée par Bosch Rexroth, est une pompe à pistons axiaux à déplacement constant, conçue pour les applications haute pression nécessitant fiabilité, performance et longévité. Fonctionnant en circuit ouvert, elle est adaptée aux systèmes hydrauliques industriels ainsi qu’aux applications mobiles exigeantes. Sa conception à axe incliné permet un excellent rendement mécanique et volumétrique, réduisant les pertes d’énergie et assurant un fonctionnement stable même sous fortes contraintes. La pompe supporte une pression nominale jusqu’à 400 bar et une pression maximale de 450 bar, garantissant des performances élevées dans les environnements les plus sévères.
Chez Hydrau-Havre, cette pompe est proposée en stock afin de répondre rapidement à vos besoins hydrauliques.
CARACTÉRISTIQUES TECHNIQUES
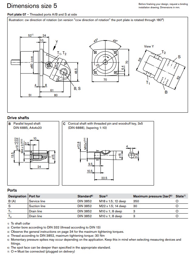
- Unité à pistons axiaux : conception à axe incliné, fixe
- Palier d’arbre d’entraînement : palier standard (sans code) 5 à 500
- Mode de fonctionnement : pompe, circuit ouvert
- Tailles (NG) : 23
- Cylindrée : 23 cm³/tr
- Série : 6
- Index : NG 10 à 80
- Sens de rotation : horaire
- Arbre d’entraînement : arbre à clavette parallèle DIN 6885
- Brides de montage : ISO 3019-2 : 4 trous
- Plaques d’embrayage pour conduites de service : bride SAE A/B sur le côté et bride SAE S à l’arrière
- Pression nominale : 400 bar
- Pression maximale : 450 bar

Avis
Il n’y a pas encore d’avis.