Description
Référence : 1574579 / 1252252 / 1580934
La pompe hydraulique à pistons radiaux type 2.5, fabriquée par HAWE Hydraulik, est conçue pour les systèmes industriels exigeants. Avec son déplacement fixe, elle assure un débit volumique précis et peut générer des pressions élevées jusqu’à 450 bar, garantissant une performance fiable dans les applications hydrauliques les plus robustes. Cette pompe constitue une solution idéale pour les installations nécessitant précision, durabilité et haute pression.
Chez Hydrau-Havre, nous proposons ce composant en excellent état, parfaitement adapté aux systèmes hydrauliques industriels.
CARACTÉRISTIQUES TECHNIQUES
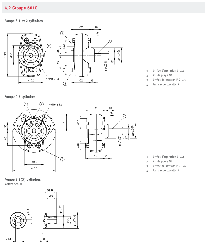
- Groupe : 6010
- Pression maximale : 450 bar
- Cylindrée volumétrique : 1.79 cm³/tr
- Référence débit à 1450 min⁻¹ : 2.5 L/min
- Nombres de cylindres : 3
- Raccord d’aspiration : 1/2″
- Raccord de refoulement : 1/4″
- Diamètre de piston : 10 mm
- Plage de puissance moteur : 0.25 à 3 kW

Avis
Il n’y a pas encore d’avis.