Description
Référence : SX2092
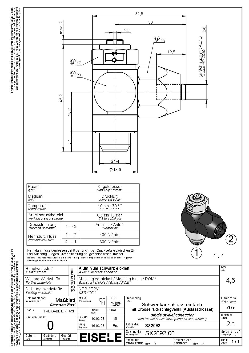
Le raccord limiteur de débit unidirectionnel pivotant à 90° SX2092 est un composant pneumatique conçu pour assurer un contrôle précis du débit d’air comprimé dans un seul sens, tout en garantissant un passage libre dans le sens inverse. Grâce à son système d’étranglement réglable, il permet d’ajuster finement la vitesse des actionneurs, notamment des vérins pneumatiques, en travaillant sur l’air d’échappement. Sa conception coudée à 90° associée à un corps pivotant facilite son intégration dans des environnements compacts et permet un montage flexible, même dans des configurations contraignantes.
Fabriqué en aluminium anodisé noir, ce raccord offre une excellente résistance mécanique et une bonne durabilité dans des conditions industrielles exigeantes. Ses joints en NBR assurent une étanchéité fiable sur une plage de température allant de –10 à +70 °C, avec une pression de service comprise entre 0,5 et 10 bars. Avec un débit nominal de 400 Nl/min dans le sens régulé (1→2) et 300 Nl/min en passage libre (2→1), il garantit des performances optimales pour le contrôle des circuits pneumatiques.
Chez Hydrau-Havre, nous vous proposons ce raccord performant et robuste, idéal pour optimiser la précision et la fiabilité de vos installations pneumatiques.
CARACTÉRISTIQUES TECHNIQUES
Fluide : air comprimé
Température : -10 à 70 °C
Plage de pression de service : 0,5 à 10 bars
Sens de la vanne d’étranglement (air d’échappement) : 1→2
Débit nominal (1→2 ) : 400 Nl/min
Débit nominal (2→ 1) : 300 Nl/min
Matériau : aluminium anodisé noir
Joints : NBR

Avis
Il n’y a pas encore d’avis.