Description
Référence : R930001860
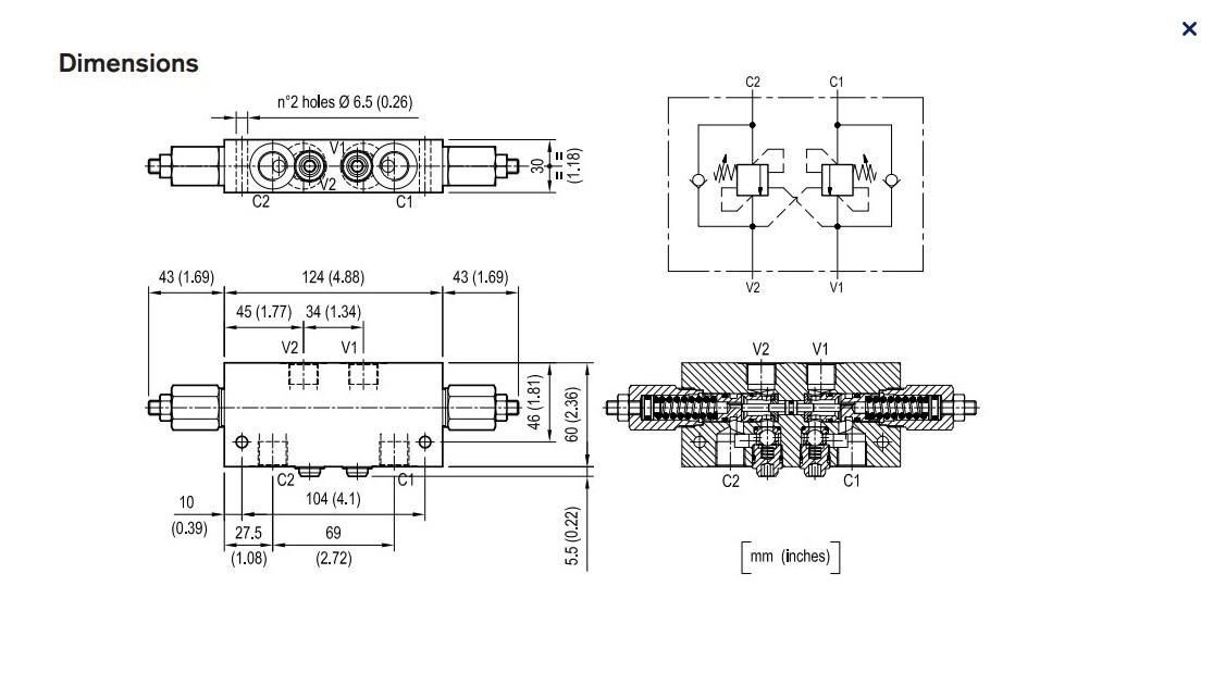
La valve hydraulique R930001860 de Rexroth est une valve à descente freinée à double effet, conçue pour offrir un contrôle précis et sécurisé des mouvements des vérins et des charges hydrauliques dans les circuits exigeants. Elle permet de freiner et stabiliser la descente d’une charge sous gravité, tout en régulant le fluide dans les deux directions d’action du vérin. Cela assure un fonctionnement fluide et sans à-coups, même sous charges importantes. Cette valve est particulièrement adaptée aux applications industrielles, machines mobiles et équipements nécessitant une descente contrôlée, où la sécurité et la performance du système hydraulique sont essentielles.
Chez Hydrau-Havre, nous proposons cette valve à descente freinée Rexroth R930001860, ainsi qu’une large gamme de composants hydrauliques de haute qualité pour répondre à vos besoins techniques.
CARACTÉRISTIQUES TECHNIQUES
- Pression de travail maximale : jusqu’à 210 bar
- Débit maximal : ≈ 40 L/min
- Type de raccordement : filetage G 3/8
- Matériau d’étanchéité : joints NBR adaptés aux huiles hydrauliques
- Matériel : Aluminium








Avis
Il n’y a pas encore d’avis.