Description
Référence : 106669
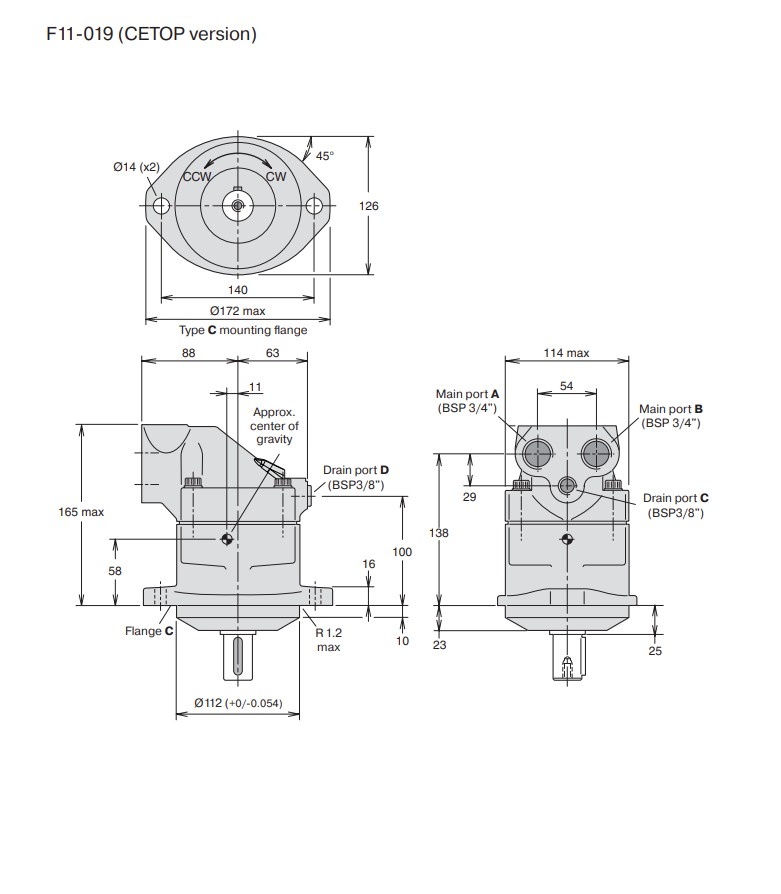
Le moteur hydraulique série F10C-19 de la marque Volvo Flygmotor AB, référence 106669, est désormais remplacé par le moteur hydraulique F11-019-MB-CV-D-000-000-P0 de chez Parker, conforme aux standards de montage CETOP. Le moteur Parker F11-19 est un moteur hydraulique à pistons axiaux à cylindrée fixe de 19 cm³ par tour, conçu pour offrir une performance fiable, robuste et adaptée à de nombreuses applications industrielles et mobiles.
Chez Hydrau-Havre, nous proposons le moteur hydraulique Volvo Flygmotor AB F10C-19 (réf. 106669) en btrès bon état, assurant une solution de remplacement fiable et compatible pour vos installations.
CARACTÉRISTIQUES TECHNIQUES
- Remplacé par : F11-019-MB-CV-D-000-000-P0
- Cylindrée : 19 cm³/tr.
- Montage : norme CETOP (montage par bride conforme aux standards CETOP, facilitant l’intégration dans des circuits hydrauliques existants).
- Norme de fixation : bride CETOP avec centrage 112 mm.
- Type d’arbre : arbre cylindrique Ø 25 mm avec clavette.
- Rotation : bidirectionnelle, selon besoins de l’application.
- Pression de service continue : jusqu’à 350 bar.
- Pression maximale intermittente : jusqu’à 420 bar

Avis
Il n’y a pas encore d’avis.